Логический модуль с дисплеем Siemens LOGO! 24RC

Характеристики модуля LOGO! 24RC 6ED1052-1HB00-0BA6:
- Характеристики питания: 24В;
- Дискретные входы: 8
- Дискретные выходы: 4 (нормально разомкунутые реле);
- Особенности памяти: 200 блоков;
- Дополнительные возможности: расширение функционального потенциала модулями ввода/вывода.
Цена: от 4 326 руб.
Общее описание
Устройство LOGO! 24RC:

- 1 - источник питания
- 2 - входы
- 3 - выходы
- 4 - гнездо под модуль, оснащенный крышкой
- 5 - панель, посредством которой реализуются опции управления
- 6 - дисплей
- 7 - разъем для кабеля типа LOGO!TD
- 8 - интерфейс расширения
- 9 – опции механического кодирования - гнёзда
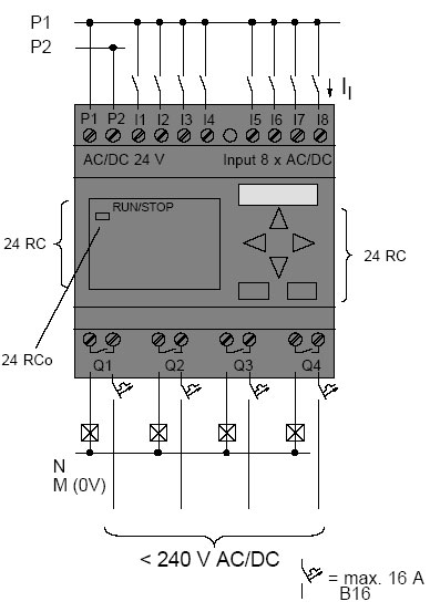
Схема подключения и максимальная конфигурация LOGO!24RC

Оборудование с заказным номером 6ED1052-1HB00-0BA6 поддерживает 24 цифровых входов, 8 аналоговых входов, а также 16 цифровых и 2 аналоговых выхода. Для достижения параметров, характерных для максимальной конфигурации, используют нижеприведенную методику:
- Максимальная конфигурация с аналоговыми входами – 4входа (LOGO!12/24RC/RCo и LOGO!24/24o)

-
Максимальная конфигурация модулей LOGO! с аналоговыми входами (используется 2 входа (LOGO! 12/24 RC/RCo и LOGO !24/24o).

-
Максимальная конфигурация модулей данного класса LOGO! без аналоговых входов (LOGO! 24RC/RCo, а также LOGO! 230 RC/RCo)

Специфика монтажа модуля LOGO!24RC


Поэтапный монтаж на DIN-рейку:
- 1. На первом этапе осуществления монтажных работ следует навесить модуль LOGO! 24RC на рейку;
- 2. Путем нажимания на нижнюю часть, срабатывает специальная защелка модуля, выполняется надежная его фиксация (защелка расположена на задней части прибора);
- 3. С правой стороны модуля находится крышка разъема, которую необходимо снять;
- 4. С правой стороны от LOGO!Basic помещается модуль на DIN-рейку;
- 5. Перемещаем модуль в левую сторону таким образом, чтобы последний контактировал с LOGO!Basic;
- 6. Посредством отвертки защелка отодвигается влево, после чего она должна занять крайнее левое положение.
Монтаж дополнительного оборудования выполняется путем поэтапного повторения всех пунктов, относящихся к монтажу цифрового модуля.
Поэтапный монтаж на стену:
Аккуратно переместите монтажные защелки наружу, как правило, они расположены на задней стенки устройства. Непосредственно монтаж модуля выполняется при помощи двух монтажных защелок и двух винтов ØM4 (момент затяжки 0,8-1,2Нм).
Технические характеристики LOGO!24RC:
| Блок питания: | |
|---|---|
| Входное напряжение | 24В переменный / постоянный ток |
| Допустимый диапазон | 20,4...26,4В переменный ток 20,4...28,8В постоянный ток |
| Допустимая частота сети | 47...63Гц |
| Потребление тока - 24В переменный ток - 24В постоянный ток | 40...110мА 20...75мА |
| Буферизация исчезновения напряжения | тип. 5мс |
| Потери мощности • 24 В переменный ток • 24 В постоянный ток |
0,9...2,7Вт 0,4...1,8Вт |
| Буферизация часов в условиях 25°C | тип. 80час. |
| Показатели точности часов реального времени | тип. ±2с/день |
| Цифровые входы: | |
| Количество | 8, на выбор включение на P /на N |
| Потенциальная развязка | Нет |
| Входное напряжение L • Сигнал 0 • Сигнал 1 |
< 5В переменного/постоянного тока > 12В переменного/постоянного тока |
| Входной ток при • сигнале 0 • сигнале 1 |
< 1,0мА > 2,5мА |
| Время задержки при • переходе с 0 на 1 • переходе с 1 на 0 |
тип. 1,5мс тип. 15мс |
| Длина линии (неэкранированной) | 100м |
| Цифровые выходы: | |
| Количество | 4 |
| Тип выходов | Релейные выходы |
| Потенциальная развязка | да |
| Управление цифровым входом | да |
| Длительный ток Ith | 10A на реле (max) |
| Нагрузка из ламп накаливания (25000 циклов переключения) | 1000Вт |
| Люминесцентные лампы с дросселем (25000 циклов переключения) | 10 x 58Вт |
| Люминесцентные лампы с обычной компенсацией (25000 циклов переключения) |
1 x 58Вт |
| Люминесцентные лампы, некомпенсированные (25000 циклов переключения) | 10 x 58Вт |
| Понижение номинала | нет; во всем диапазоне температур |
| Устойчивость к коротким замыканиям при cos = 1 | Защита по питанию B16, 600A |
| Устойчивость к коротким замыканиям при cos от 0,5 до 0,7 | Защита по питанию B16, 900A |
| Параллельное включение выходов для увеличения мощности | Не допускается |
| Защита выходного реле (при необходимости) | макс. 16 A, характеристика B16 |
| Частота включений: | |
| механическая | 10Гц |
| омическая/ламповая нагрузка | 2Гц |
| индуктивная нагрузка | 0,5Гц |